Revue Technique Subaru Impreza: S: Code de panne 38 - mauvais fonctionnement de la soupape de sortie arriere gauche
DIAGNOSTIC:
- Faisceau/connecteur défectueux
- Vanne à solénoïde de sortie défectueuse
SYMPTOME:
- L'ABS ne fonctionne pas.
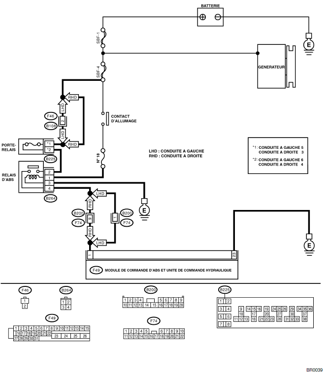
SCHEMA ELECTRIQUE:

| Nº | Etape | Vérifier | Oui | Non |
| 1 | VERIFIEZ LA TENSION D'ENTREE DU PORTE- RELAIS.
1) Mettez le contact d'allumage sur "OFF". 2) Déposez le fusible. 3) Mesurez la tension entre le connecteur du relais ABS et la masse de châssis. Connecteur et borne |
Est-ce que la tension est plus de 10 V? | Passez à l'étape 2. | Réparez le circuit ouvert dans le faisceau entre la batterie et le connecteur de porte-relais. |
| 2 | VERIFIEZ LE PORTE-RELAIS. | Est-ce que le fusible a sauté? | Remplacez le fusible. | Passez à l'étape 3. |
| 3 | VERIFIEZ LA TENSION D'ENTREE DU RELAIS ABS.
1) Reposez le fusible. 2) Déposez le relais ABS. 3) Mettez le contact d'allumage sur "ON". 4) Mesurez la tension entre le connecteur du relais ABS et la masse de châssis. Connecteur et borne (B264) Nº 2 (+) - Masse de châssis (−): |
Est-ce que la tension est plus de 10 V? | Passez à l'étape 4. | Réparez le circuit ouvert dans le faisceau entre la batterie et le connecteur de porte-relais. |
| 4 | VERIFIEZ LA TENSION D'ENTREE DU RELAIS ABS.
Mesurez la tension entre le connecteur du relais ABS et la masse de châssis. Connecteur et borne (B264) Nº 1 (+) - Masse de châssis (−): |
Est-ce que la tension est plus de 10 V? | Passez à l'étape 5. | Réparez le connecteur de faisceau entre la batterie, le contact d'allumage et le relais ABS. |
| 5 | VERIFIEZ LE CIRCUIT DE MISE A LA MASSE DU RELAIS ABS.
1) Mettez le contact d'allumage sur "OFF". 2) Mesurez la résistance entre le connecteur du relais ABS et la masse de châssis. Connecteur et borne (B264) Nº 3 (+) - Masse de châssis: |
Est-ce que la tension est moins de 5 Ω? | Passez à l'étape 6. | Réparez le circuit ouvert entre le relais ABS et la masse de châssis |
| 6 | VERIFIEZ LE RELAIS ABS.
1) Branchez la batterie sur les bornes nº 1 et nº 3 du relais ABS. 2) Mesurez la résistance entre les bornes du relais ABS. |
Est-ce que la résistance est moins de 10 Ω? | Passez à l'étape 7. | Remplacez le relais ABS. |
| 7 | VERIFIEZ LA TENSION D'ENTREE AU MCABS-UCH.
1) Mettez le contact d'allumage sur "OFF". 2) Déconnectez le connecteur du MCABS-UCH. 3) Faites marcher le moteur au ralenti. 4) Mesurez la tension entre le connecteur de MCABS-UCH et la masse de châssis. Connecteur et borne (F49) Nº 1 (+) - Masse de châssis (−): |
Est-ce que la tension est comprise entre 10 et 15 V? | Passez à l'étape 8. | Réparez le connecteur de faisceau entre la batterie, le contact d'allumage et le MCABS-UCH. |
| 8 | VERIFIEZ LE CIRCUIT DE MISE A LA MASSE DU MCABS-UCH.
1) Mettez le contact d'allumage sur "OFF". 2) Mesurez la résistance entre le connecteur de MCABS-UCH et la masse de châssis. Connecteur et borne (F49) Nº 23 - Masse de châssis: |
Est-ce que la résistance est moins de 0,5 Ω? | Passez à l'étape 9. | Réparez le faisceau de mise à la masse du MCABSUCH. |
| 9 | VERIFIEZ S'IL Y A MAUVAIS CONTACT DANS LES CONNECTEURS. | Est ce-qu'il y a mauvais contact dans les connecteurs entre le générateur, la batterie et le MCABS-UCH? | Réparez le connecteur. | Passez à l'étape 10. |
| 10 | VERIFIEZ LE MCABS-UCH.
1) Connectez tous les connecteurs. 2) Effacez la mémoire. 3) Exécutez le mode d'inspection. 4) Lisez le code de panne. |
Est-ce que le même code de panne que celui produit par le diagnostic actuel est toujours produit? | Remplacez le MCABS-UCH.
<Voir ABS-7, Module de commande ABS et unité de commande hydraulique (MCABUCH).> |
Passez à l'étape 11. |
| 11 | VERIFIEZ L'APPARITION D'AUTRES CODES. | D'autres codes de pannes sont-ils produits? | Passez au diagnostic correspondant au code de panne. | Il y a mauvais contact temporaire. |
T: CODE DE PANNE 41 - MAUVAIS FONCTIONNEMENT DU MODULE DE COMMANDE ABS
DIAGNOSTIC:
- MCABS-UCH défectueux
SYMPTOME:
- L'ABS ne fonctionne pas.
SCHEMA ELECTRIQUE:

| Nº | Etape | Vérifier | Oui | Non |
| 1 | VERIFIEZ LE CIRCUIT DE MISE A LA MASSE DU MCABS-UCH.
1) Mettez le contact d'allumage sur "OFF". 2) Déconnectez le connecteur du MCABS-UCH. 3) Mesurez la tension entre le MCABS-UCH et la masse de châssis. Connecteur et borne (F49) Nº 23 - Masse de châssis: |
Est-ce que la résistance est moins de 0,5 Ω? | Passez à l'étape 2 | Réparez le faisceau de mise à la masse du MCABSUCH. |
| 2 | VERIFIEZ S'IL Y A MAUVAIS CONTACT DANS LES CONNECTEURS. | Est-ce qu'il y a mauvais contact dans les connecteurs entre la batterie, le contact d'allumage et le MCABSUCH? | Réparez le connecteur. | Passez à l'étape 3. |
| 3 | VERIFIEZ LES SOURCES DE BRUIT DE SIGNAL. | Est-ce que le téléphone de voiture ou le radio-télécommande est installé correctement? | Passez à l'étape 4. | Installez correctement le téléphone de voiture ou le radio-télécommande. |
| 4 | VERIFIEZ LES SOURCES DE BRUIT DE SIGNAL. | Y a-t-il des sources de bruit (antenne par exemple) installées près du faisceau de détecteur? | Installez les sources de bruit loin du faisceau de détecteur. | Passez à l'étape 5. |
| 5 | VERIFIEZ LE MCABS-UCH.
1) Mettez le contact d'allumage sur "OFF". 2) Connectez tous les connecteurs. 3) Effacez la mémoire. 4) Exécutez le mode d'inspection. 5) Lisez le code de panne. |
Est-ce que le même code de panne que celui produit par le diagnostic actuel est toujours produit? | Remplacez le MCABS-UCH.
<Voir ABS-7, Module de commande ABS et unité de commande hydraulique (MCABUCH).> |
Passez à l'étape 6. |
| 6 | VERIFIEZ L'APPARITION D'AUTRES CODES. | D'autres codes de pannes sont-ils produits? | Passez au diagnostic correspondant au code de panne. | Il y a mauvais contact temporaire. |
O: Code de panne 37 - mauvais fonctionnement de la soupape d'entree arriere gauche
DIAGNOSTIC:
Faisceau/connecteur défectueux
Vanne à solénoïde d'entrée défectueuse
SYMPTOME:
L'ABS ne fonctionne pas.
SCHEMA ELECTRIQUE: ...
U: Code de panne 42 - tension d'alimentation electrique trop basse
DIAGNOSTIC:
La tension d'alimentation électrique du MCABS-UCH est faible.
SYMPTOME:
L'ABS ne fonctionne pas.
SCHEMA ELECTRIQUE:
Nº
...
D'autres materiaux:
Longerons de toit (selon modèles)
Traverse
Le transport de bagages est possible après avoir sécurisé les traverses
sur les longerons de toit et installé un accessoire de fixation approprié.
Lorsque vous installez les traverses et un accessoire de fixation, suivez
les instructions données par le fabricant de ce matériel. Le système de
longerons de toit est conçu pour une charge maximale (accessoires de
...