Revue Technique Subaru Impreza: Tableau de dépistage des pannes pour le témoin d'immobilisateur
A: INSPECTION
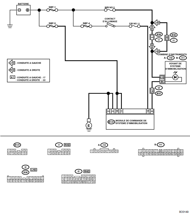
1. VERIFIEZ LE CIRCUIT DU TEMOIN D'IMMOBILISATEUR
SCHEMAS ELECTRIQUES:

| Nº | Etape | Vérifier | Oui | Non |
| 1 | VERIFIEZ QUE LE TEMOIN D'IMMOBILISATEUR
S'ALLUME.
1) Mettez le contact d'allumage sur "OFF". 2) Déconnectez le connecteur de faisceau de l'ECM IMMO. 3) Branchez une résistance (750 Ω) entre la borne nº 9 de connecteur de faisceau de l'ECM IMMO et la masse de châssis. |
Est-ce que le témoin s'allume? | Passez à l'étape 2. | Passez à l'étape 5. |
| 2 | VERIFIEZ LE CIRCUIT DE MISE A LA MASSE
DE L'ECM IMMO.
Mesurez la résistance entre la borne de connecteur de faisceau de l'ECM IMMO et la masse de châssis. Connecteur et borne (B141) Nº 2, Nº 3 (+) - Masse de châssis (−): |
Est-ce que la résistance est moins de 10 Ω? | Passez à l'étape 3. | Réparez le circuit ouvert du circuit de mise à la masse de l'ECM IMMO. |
| 3 | VERIFIEZ LE CIRCUIT D'ALLUMAGE DE
L'ECM IMMO.
1) Mettez le contact d'allumage sur "ON". (Moteur ARRETE) 2) Mesurez la tension entre la borne de connecteur de faisceau de l'ECM IMMO et la masse de châssis. Connecteur et borne (B141) Nº 12 (+) - Masse de châssis (−): |
Est-ce que la tension est plus de 10 V? | Passez à l'étape 4. | Vérifiez si le faisceau est ouvert ou court-circuité entre l'ECM IMMO et le contact d'allumage. |
| 4 | VERIFIEZ LE CIRCUIT D'ALIMENTATION
ELECTRIQUE DEL'ECM IMMO.
1) Mettez le contact d'allumage sur "OFF". 2) Mesurez la tension entre la borne de connecteur de faisceau de l'ECM IMMO et la masse de châssis. Connecteur et borne (B141) Nº 10, Nº 11 (+) - Masse de châssis (−): |
Est-ce que la tension est plus de 10 V? | Remplacez l'ICM
IMMO <Voir SL-46
Module de commande
d'immobilisateur.>
Puis exécutez
l'enseignement.
Reportezvous au Manuel d'enseignement (nº de publication S0820GZ). |
Vérifiez si le faisceau est ouvert ou court-circuité entre l'ECM IMMO et le fusible. |
| 5 | VERIFIEZ LE CIRCUIT DE COMBINE D'INSTRUMENTS.
1) Déposez le combiné d'instruments. <Voir IDI- 17 Combiné d'instruments.> 2) Mesurez la tension entre la borne de connecteur de faisceau du combiné d'instruments et la masse de châssis. Connecteur et borne (i10) Nº 10 (+) - Masse de châssis (−): |
Est-ce que la tension est plus de 10 V? | Passez à l'étape 6. | Vérifiez si le faisceau est ouvert ou court-circuité entre le combiné d'instruments et le fusible. |
| 6 | VERIFIEZ LE CIRCUIT DE COMBINE D'INSTRUMENTS.
Mesurez la résistance entre la borne de connecteur de faisceau de l'ECM IMMO et la borne de connecteur de faisceau du combiné d'instruments. Connecteur et borne (B141) Nº 9 - (i11) Nº 6: |
Est-ce que la résistance est moins de 10 Ω? | L'ampoule DEL est
défectueuse. Remplacez
le circuit
imprimé du combiné
d'instruments.
<Voir IDI-18 DEMONTAGE, Combiné d'instruments.> |
Réparez le faisceau ou le connecteur. |
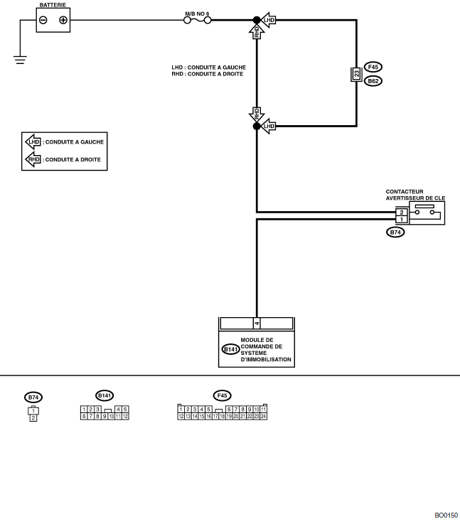
2. VERIFIEZ LE CIRCUIT DU CONTACT A CLE
SCHEMAS ELECTRIQUES:

| Nº | Etape | Vérifier | Oui | Non |
| 1 | VERIFIEZ LE CIRCUIT D'ALIMENTATION
ELECTRIQUE.
1) Déconnectez le connecteur de faisceau du contacteur d'avertissement de clé. 2) Mettez le contact d'allumage sur la position "ACC" ou "LOCK" (la clé reste introduite). 3) Mesurez la tension entre la borne de connecteur de faisceau du contacteur d'avertissement de clé et la masse de châssis. Connecteur et borne (B74) Nº 2 (+) - Masse de châssis (−): |
Est-ce que la tension est plus de 10 V? | Passez à l'étape 2. | Vérifiez si le faisceau est ouvert ou court-circuité entre le contacteur d'avertissement de clé et le fusible. |
| 2 | VERIFIEZ LE CONTACT A CLE.
1) Introduisez la clé d'allumage dans le contact d'allumage. (Position OFF ou ACC) 2) Vérifiez la continuité entre les bornes de connecteur du contacteur d'avertissement de clé. Connecteur et borne Nº 1 - Nº 2: |
Est-ce qu'il a continuité? | Passez à l'étape 3. | Remplacez le contacteur d'avertissement de clé. |
| 3 | VERIFIEZ LE CONTACT A CLE.
1) Retirez la clé d'allumage du contact d'allumage. 2) Vérifiez la continuité entre les bornes de connecteur du contacteur d'avertissement de clé. Connecteur et borne Nº 1 - Nº 2: |
Est-ce qu'il a continuité? | Remplacez le contacteur d'avertissement de clé. | Passez à l'étape 4. |
| 4 | VERIFIEZ LE FAISCEAU ENTRE LE CONTACT
A CLE ET L'ECM IMMO.
1) Déconnectez le connecteur de faisceau du contacteur d'avertissement de clé. 2) Déconnectez le connecteur de faisceau de l'ECM IMMO. 3) Mesurez la résistance entre la borne de connecteur de faisceau du contacteur d'avertissement de clé et la borne de connecteur de faisceau de l'ECM IMMO. Connecteur et borne (B74) Nº 1 - (B141) Nº 4: |
Est-ce que la résistance est moins de 10 Ω? | Remplacez l'ICM
IMMO <Voir SL-46
Module de commande
d'immobilisateur.>
Puis exécutez
l'enseignement.
Reportezvous au Manuel d'enseignement (nº de publication S0820GZ). |
Réparez le faisceau entre le contacteur d'avertissement de clé et l'ECM IMMO. |
Mode d'effacement mémoire
A: FONCTIONNEMENT
1. AVEC MONITEUR DE SELECTION SUBARU
1) On the <<Main Menu>> display screen, select the {2. Each System Check} and
press the [YES] key.
2) Sur l'écran < ...
Liste des codes de panne (DTC)
A: LISTE
DTC
Article
Contenue de diagnostic
Nº d'index
Sans
OBD
Avec
OBD
53
P1571
Reference Code Incompatibility
(Incompatibilité de c ...
D'autres materiaux:
Détecteur ABS avant
A: DEPOSE
1) Débranchez le câble de mise à la masse de la
batterie.
2) Déconnectez le connecteur de détecteurABS avant
situé côté carter de montage de jambe élastique avant
dans le compartiment moteur.
3) Déposez les boulons qui fixent le faisceau de détecteur
à la jambe élastique.
4) D&eacu ...