Revue Technique Subaru Impreza: A: Le voyant danger abs ne s'allume pas.
DIAGNOSTIC:
- Le circuit du voyant danger ABS est ouvert ou court-circuité.
SYMPTOME:
- Lorsque le contact d'allumage est mis sur "ON" (moteur ARRETE), le voyant danger ABS ne s'allume pas.
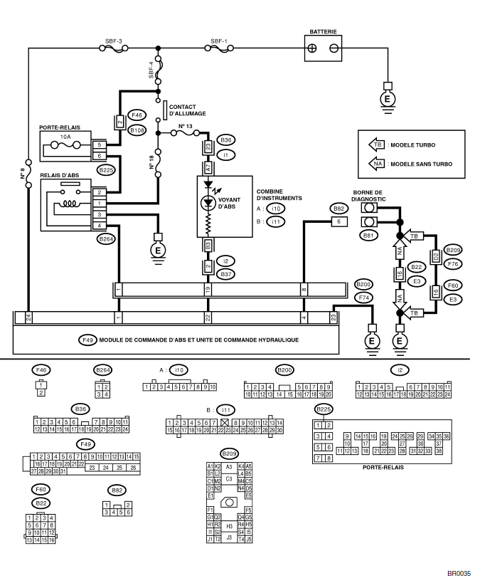
SCHEMA ELECTRIQUE: MODELE CONDUITE A GAUCHE

SCHEMA ELECTRIQUE: MODELE CONDUITE A DROITE

| Nº | Etape | Vérifier | Oui | Non |
| 1 | VERIFIEZ SI LES AUTRES VOYANTS DANGER S'ALLUMENT.
Mettez le contact d'allumage sur "ON" (moteur ARRETE). |
Est-ce que les autres voyants danger s'allument? | Passez à l'étape 2. | Réparez le combiné d'instruments.
<Voir IDI-17, Combiné d'instruments.> |
| 2 | VERIFIEZ L'AMPOULE DE VOYANT DANGER ABS.
1) Mettez le contact d'allumage sur "OFF". 2) Déposez le combiné d'instruments. 3) Déposez l'ampoule de voyant danger ABS du combiné d'instruments. |
Est-ce que l'ampoule de voyant danger ABS est en bon état? | Passez à l'étape 3. | Remplacez l'ampoule de voyant danger ABS. <Voir IDI-17, Combiné d'instruments.> |
| 3 | VERIFIEZ SI LE FAISCEAU DU VOYANT DANGER ABS EST COURT-CIRCUITE A LA BATTERIE.
1) Déconnectez le connecteur (B200) du connecteur (F74). 2) Mesurez la tension entre le connecteur (B200) et la masse de châssis. Connecteur et borne |
Est-ce que la tension est moins de 3 V? | Passez à l'étape 4. | Réparez le faisceau de voyant danger |
| 4 | VERIFIEZ SI LE FAISCEAU DU VOYANT DANGER ABS EST COURT-CIRCUITE A LA BATTERIE.
1) Mettez le contact d'allumage sur "ON". 2) Mesurez la tension entre le connecteur (B200) et la masse de châssis. Connecteur et borne |
Est-ce que la tension est moins de 3 V? | Passez à l'étape 5. | Réparez le faisceau de voyant danger. |
| 5 | VERIFIEZ LE FAISCEAU DE CABLAGE.
1) Mettez le contact d'allumage sur "OFF". 2) Reposez l'ampoule de voyant danger ABS du combiné d'instruments. 3) Reposez le combiné d'instruments. 4) Mettez le contact d'allumage sur "ON". 5) Mesurez la tension entre le connecteur (B200) et la masse de châssis. Connecteur et borne |
Est-ce que la tension est comprise entre 10 et 15 V? | Passez à l'étape 6. | Réparez le faisceau de câblage. |
| 6 | VERIFIEZ SI LE FAISCEAU DU VOYANT DANGER ABS EST COURT-CIRCUITE A LA BATTERIE.
1) Mettez le contact d'allumage sur "OFF". 2) Mesurez la tension entre le connecteur (F74) et la masse de châssis. Connecteur et borne |
Est-ce que la tension est moins de 3 V? | Passez à l'étape 7. | Réparez le faisceau de câblage. |
| 7 | VERIFIEZ SI LE FAISCEAU DU VOYANT DANGER ABS EST COURT-CIRCUITE A LA BATTERIE.
1) Mettez le contact d'allumage sur "ON". 2) Mesurez la tension entre le connecteur (F74) et la masse de châssis. Connecteur et borne |
Est-ce que la tension est moins de 3 V? | Passez à l'étape 8. | Réparez le faisceau de câblage. |
| 8 | VERIFIEZ LE CIRCUIT DE MISE A LA MASSE DU MCABS-UCH.
Mesurez la tension entre le MCABS-UCH et la masse de châssis. Connecteur et borne (F49) Nº 23 - MASSE: |
Est-ce que la résistance est moins de 0,5 Ω? | Passez à l'étape 9. | Réparez le faisceau de mise à la masse du MCABSUCH. |
| 9 | VERIFIEZ LE FAISCEAU DE CABLAGE.
Mesurez la résistance entre le connecteur (F74) et la masse de châssis. Connecteur et borne |
Est-ce que la résistance est moins de 0,5 Ω? | Passez à l'étape 10. | Réparez le faisceau/ connecteur. |
| 10 | VERIFIEZ S'IL Y A MAUVAIS CONTACT DANS LES CONNECTEURS.
Mettez le contact d'allumage sur "OFF". |
Est-ce qu'il y a mauvais contact dans les connecteurs entre le combiné d'instruments et le MCABS-UCH? | Réparez le connecteur. | Remplacez le MCABS-UCH.
<Voir ABS-7, Module de commande ABS et unité de commande hydraulique (MCABUCH).> |
B: Le voyant danger abs ne s'eteint pas.
DIAGNOSTIC:
Le circuit du voyant danger ABS est ouvert ou court-circuité.
SYMPTOME:
Lors du démarrage du moteur et pendant que le voyant danger reste allumé.
...
D'autres materiaux:
Fonctionnement de la climatisation automatique (type B et C)
Lorsque ce mode est sélectionné, la vitesse de soufflante, la distribution
de la circulation de l’air, la sélection de l’entrée d’air et le
fonctionnement du compresseur de climatiseur sont contrôlés automatiquement.
Pour activer ce mode, effectuez ce qui suit.
1. Appuyez sur le bouton AUTO. Le témoin indicateur "FULL AUTO" s’allume
sur l’affichage multifonctions (LCD co ...
