Revue Technique Subaru Impreza: Signaux E/S du régulateur de vitesse
A: CARACTERISTIQUE ELECTRIQUE

| Contenue | Nº de borne | Mesure des conditions et des signaux E/S (contact d'allumage sur "ON" et moteur au ralenti) | 
| Eclairage principal | 1 | 
		
  | 
	
| Contacteur inhibiteur (A/T) | 4 | 
		
  | 
	
| Moteur B | 5 | 
		
  | 
	
| Masse | 6 | 
		 -  | 
	
| Moteur A | 7 | 
		
  | 
	
| Contacteur RESUME/ACCEL | 9 | 
		
  | 
	
| Contacteur SET/COAST | 10 | 
		
  | 
	
| Alimentation électrique principale | 11 | 
		
  | 
	
| Contact d'allumage | 12 | 
		
  | 
	
| Moteur C | 13 | 
		
  | 
	
| Embrayage de moteur | 14 | 
		
  | 
	
| Contacteur principal de régulateur de vitesse | 15 | 
		
  | 
	
| Contacteur de frein | 16 | Laissez la pédale d'embrayage relâchée (modèle M/T), lorsque le 
		contacteur principal
		de régulateur de vitesse est mis en circuit. Vérifiez les suivants; 
 Sur les véhicules M/T, laissez le contacteur principal de régulateur de vitesse en circuit et la pédale de frein relâchée. Vérifiez les suivants; 
  | 
	
| Connecteur de diagnostic | 17 | - | 
| Connecteur de diagnostic | 18 | - | 
| Détecteur tachymétrique (M/ T) TCM (A/T) | 19 | Soulevez le véhicule et les quatre roues du sol, et faites tourner 
		les quatre roues
		avec la main. Des signaux de "5" et "0" V environ pénètrent alternativement dans le module de régulateur de vitesse.  | 
	
| Contacteur de feu de stop | 20 | Mettez le contact d'allumage sur "OFF". Vérifiez les suivants; 
  | 
	
| NOTE: Il n'est pas possible de vérifier la tension des bornes 5, 7, 13 et 14 sans que le véhicule soit conduit par le régulateur de vitesse. | ||
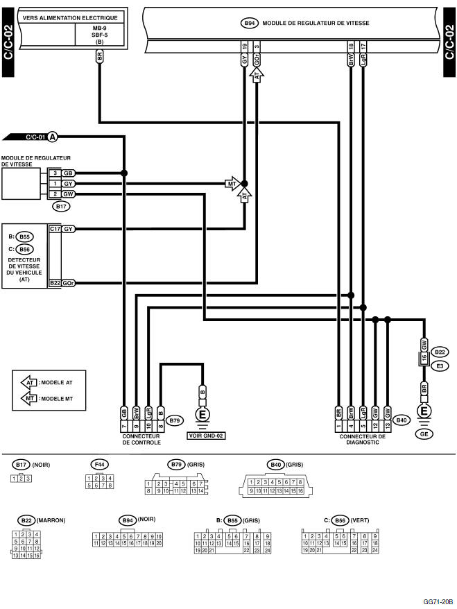
B: SCHEMA
1. REGULATEUR DE VITESSE



Disposition des composants électriques
   A: EMPLACEMENT
	Actionneur.
	Contacteur inhibiteur (A/T)
	Contacteur de commande de
	régulateur de vitesse
	Contacteur principal de régulateur
	de vitesse
	Contacteur d'embray ...
   
Moniteur de sélection Subaru
   A: FONCTIONNEMENT
1. GENERALITES 
La fonction de diagnostic embarqué du système de
régulation de vitesse utilise un moniteur de sélection
Subaru extérieur.
La ...
   D'autres materiaux:
Garniture de porte arrière
   A: DEPOSE
ATTENTION:
N'appliquez pas d'une force excessive aux clips.
Sans quoi le clip peut être cassé.
1) Appuyez sur le ressort de retenue (A) avec le
tournevis à lame plate mince et puis déposez la poignée
de lève-glace. (pour le modèle sans lève-glace
électrique)
2) Tirez le couvercle de commande à distance ver ...