Revue Technique Subaru Impreza: Système d'avertisseur sonore
Revue Technique Subaru Impreza / Carrosserie / Systeme de communication / Système d'avertisseur sonore
A: SCHEMA
1. AVERTISSEUR SONORE

B: INSPECTION
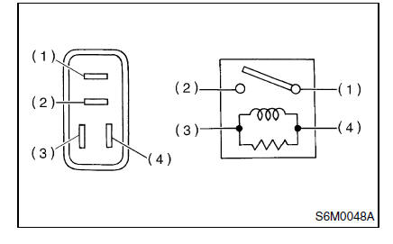
1. RELAIS D'AVERTISSEUR SONORE
Vérifiez la continuité entre les bornes (indiquées dans le tableau ci-dessous) lorsque la borne nº 4 est branchée sur la batterie et la borne nº 3 est mise à la masse.
| Lorsque le courant court. | Entre les bornes nº 1 et nº 2 | Il y a continuité. |
| Lorsque le courant ne passe pas. | Entre les bornes nº 1 et nº 2 | Il y a discontinuité. |
| Entre les bornes nº 3 et nº 4 | Il y a continuité. |

Systeme de communication
Description générale
A: OUTILLAGE DE PREPARATION
1. OUTILLAGE D'UTILISATION GENERALE
NOM DE L'OUTIL
REMARQUES
Vérificateur
de circuit
Utilisé ...
Avertisseur sonore
A: DEPOSE
1) Otez le boulon (A) de fixation du support d'avertisseur
sonore.
2) Déconnectez le connecteur de faisceau et déposez
l'avertisseur sonore (B).
B: REPOSE
Pour la ...
D'autres materiaux:
Déverrouillage des portières
Appuyez sur la touche de déverrouillage/ désarmement pour déverrouiller la
portière du conducteur. Une tonalité électronique retentit deux fois et
les feux de détresse clignotent deux fois. Pour déverrouiller toutes les
portières et le hayon (modèles à 5 portières), appuyez une deuxième fois
brièvement sur la touche de déverrouillage/désarmement dans les 5
secondes.
REMA ...