Revue Technique Subaru Impreza: W: Code de panne 44 - commande abs-a/t (pas commandee)
DIAGNOSTIC:
- Combinaison des pannes de commande A/T
SYMPTOME:
- L'ABS ne fonctionne pas.
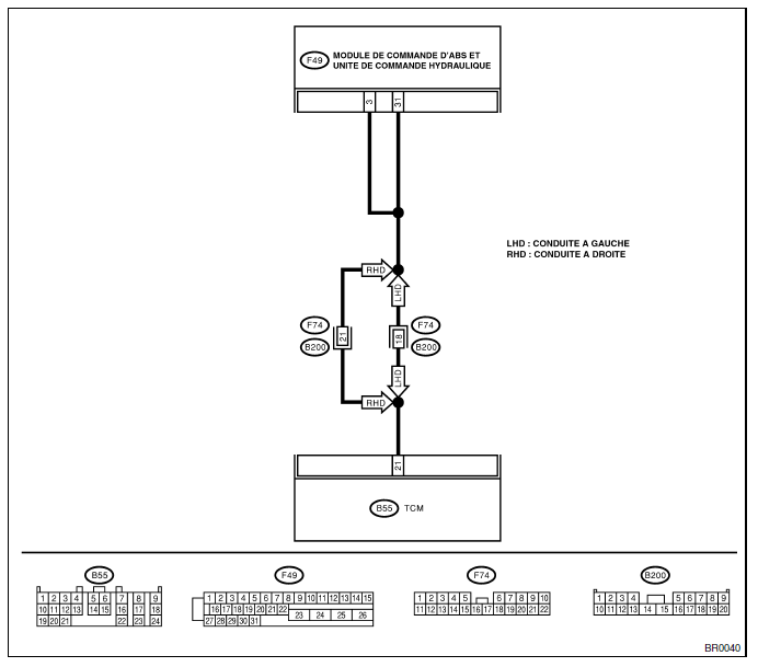
SCHEMA ELECTRIQUE:

| Nº | Etape | Vérifier | Oui | Non |
| 1 | VERIFIEZ LES CARACTERISTIQUE DU MCABS-UCH.
Vérifiez les caractéristiques des marques sur le MCABS-UCH. CA: AT (FWD) |
Est-ce qu'un MCABS-UCH pour modèle A/T est installé sur un modèle M/T? | Remplacez le MCABS-UCH.
<Voir ABS-7, Module de commande ABS et unité de commande hydraulique (MCABUCH).> |
Passez à l'étape 2. |
| 2 | VERIFIEZ SI LE FAISCEAU EST COURT-CIRCUITE A LA MASSE.
1) Mettez le contact d'allumage sur "OFF". 2) Déconnectez les deux connecteurs du TCM. 3) Déconnectez le connecteur du MCABS-UCH. 4) Mesurez la résistance entre le connecteur de MCABS-UCH et la masse de châssis. Connecteur et borne (F49) Nº 3 - Masse de châssis: |
Est-ce que la résistance est plus de 1 MΩ? | Passez à l'étape 3. | Réparez le faisceau entre le TCM et le MCABS-UCH. |
| 3 | VERIFIEZ LE TCM.
1) Connectez tous les connecteurs au TCM. 2) Mettez le contact d'allumage sur "ON". 3) Mesurez la tension entre la borne de connecteur du TCM et la masse de châssis. Connecteur et borne (B55) Nº 21 (+) - Masse de châssis (−): |
Est-ce que la tension est comprise entre 10 et 15 V? | Passez à l'étape 5. | Passez à l'étape 4. |
| 4 | VERIFIEZ LA BOITE DE VITESSE AUTOMATIQUE. | Est-ce que la boîte de vitesses automatique fonctionne normalement? | Remplacez le TCM. | Réparez la boîte de vitesses automatique. |
| 5 | VERIFIEZ S'IL Y A UN CIRCUIT OUVERT AU FAISCEAU.
Mesurez la tension entre le connecteur de MCABS-UCH et la masse de châssis. Connecteur et borne |
Est-ce que la tension est plus de 10 V? | Passez à l'étape 6. | Réparez le faisceau/ connecteur entre le TCM et le MCABSUCH. |
| 6 | VERIFIEZ S'IL Y A MAUVAIS CONTACT DANS LES CONNECTEURS. | Est-ce qu'il y a mauvais contact dans les connecteurs entre le TCM et le MCABSUCH? | Réparez le connecteur. | Passez à l'étape 7. |
| 7 | VERIFIEZ LE MCABS-UCH.
1) Connectez tous les connecteurs. 2) Effacez la mémoire. 3) Exécutez le mode d'inspection. 4) Lisez le code de panne. |
Est-ce que le même code de panne que celui produit par le diagnostic actuel est toujours produit? | Remplacez le MCABS-UCH.
<Voir ABS-7, Module de commande ABS et unité de commande hydraulique (MCABUCH).> |
Passez à l'étape 8. |
| 8 | VERIFIEZ L'APPARITION D'AUTRES CODES. | D'autres codes de pannes sont-ils produits? | Passez au diagnostic correspondant au code de panne. | Il y a mauvais contact temporaire. |
X: CODE DE PANNE 44 - COMMANDE ABS-A/T (COMMANDEE)
DIAGNOSTIC:
- Combinaison des pannes de commande A/T
SYMPTOME:
- L'ABS ne fonctionne pas.
SCHEMA ELECTRIQUE:

| Nº | Etape | Vérifier | Oui | Non |
| 1 | VERIFIEZ SI LE FAISCEAU EST COURT-CIRCUITE A LA BATTERIE.
1) Mettez le contact d'allumage sur "OFF". 2) Déconnectez les deux connecteurs du TCM. 3) Déconnectez le connecteur du MCABS-UCH. 4) Mesurez la tension entre le connecteur de MCABS-UCH et la masse de châssis. Connecteur et borne (F49) Nº 3 (+) - Masse de châssis (−): |
Est-ce que la tension est moins de 1 V? | Passez à l'étape 2. | Réparez le faisceau entre le TCM et le MCABS-UCH. |
| 2 | VERIFIEZ SI LE FAISCEAU EST COURT-CIRCUITE A LA BATTERIE.
1) Mettez le contact d'allumage sur "ON". 2) Mesurez la tension entre le connecteur de MCABS-UCH et la masse de châssis. Connecteur et borne (F49) Nº 3 (+) - Masse de châssis (−): |
Est-ce que la tension est moins de 1 V? | Passez à l'étape 3. | Réparez le faisceau entre le TCM et le MCABS-UCH. |
| 3 | VERIFIEZ S'IL Y A UN CIRCUIT OUVERT AU FAISCEAU.
1) Mettez le contact d'allumage sur "OFF". 2) Connectez tous les connecteurs au TCM. 3) Mettez le contact d'allumage sur "ON". 4) Mesurez la tension entre le connecteur de MCABS-UCH et la masse de châssis. Connecteur et borne |
Est-ce que la tension est comprise entre 10 V et 13 V? | Passez à l'étape 4. | Réparez le faisceau/ connecteur entre le TCM et le MCABSUCH. |
| 4 | VERIFIEZ S'IL Y A MAUVAIS CONTACT DANS LES CONNECTEURS.
Mettez le contact d'allumage sur "OFF". |
Est-ce qu'il y a mauvais contact dans les connecteurs entre le TCM et le MCABSUCH? | Réparez le connecteur. | Passez à l'étape 5. |
| 5 | VERIFIEZ LE MCABS-UCH.
1) Connectez tous les connecteurs. 2) Effacez la mémoire. 3) Exécutez le mode d'inspection. 4) Lisez le code de panne. |
Est-ce que le même code de panne que celui produit par le diagnostic actuel est toujours produit? | Remplacez le MCABS-UCH.
<Voir ABS-7, Module de commande ABS et unité de commande hydraulique (MCABUCH).> |
Passez à l'étape 6. |
| 6 | VERIFIEZ L'APPARITION D'AUTRES CODES. | D'autres codes de pannes sont-ils produits? | Passez au diagnostic correspondant au code de panne. | Il y a mauvais contact temporaire. |
U: Code de panne 42 - tension d'alimentation electrique trop basse
DIAGNOSTIC:
La tension d'alimentation électrique du MCABS-UCH est faible.
SYMPTOME:
L'ABS ne fonctionne pas.
SCHEMA ELECTRIQUE:
Nº
...
Y: Code de panne 51 - mauvais fonctionnement du relais de soupape
DIAGNOSTIC:
Relais de soupape défectueux
SYMPTOME:
L'ABS ne fonctionne pas.
SCHEMA ELECTRIQUE:
Nº
Etape
V&eac ...
D'autres materiaux:
Mode d’emploi du cric
1. Garez si possible le véhicule sur un sol dur et plat, puis arrêtez le
moteur. 2. Serrez fermement le frein de stationnement et mettez le
levier de vitesses en position de marche arrière (modèles B/M) ou le
levier sélecteur sur "P" (stationnement) (modèles CVT). 3. Allumez les
feux de détresse et faites descendre tous les passagers du véhicule.
4. Placez des cales devant et ...