Revue Technique Subaru Impreza: AM: DTC P0461 - Probleme de gamme/rendement du circuit de sonde de niveau de carburant
- CONDITION DE DETECTION DU DTC:
- Deux cycles de conduite consécutifs avec défaut.
ATTENTION: Après avoir réparé ou remplacé les pièces défectueuses, effectuez le MODE D'EFFACEMENT MEMOIRE<Voir EN(SOHC)-49, FONCTIONNEMENT, Mode d'effacement mémoire.> et Mode d'inspection <Voir EN(SOHC)- 46, FONCTIONNEMENT, Mode d'inspection.> .
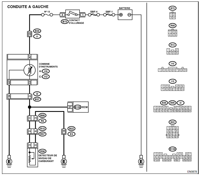
- SCHEMA ELECTRIQUE:


| Nº | Etape | Vérifier | Oui | Non |
| 1 | VERIFIEZ LES AUTRES DTC SUR L'ECRAN. | Est-ce que le moniteur de sélection Subaru ou l'outil de balayage général de diagnostic embarqué II indique le DTC P0462 ou P0463? | Inspectez le DTC P0462 ou P0463 en se référant à "17. Liste des codes de panne (DTC)". <Voir EN(SOHC)-80, Liste des codes de panne (DTC).> NOTE: Dans ce cas, il n'est pas nécessaire d'inspecter cette panne. | Remplacez la sonde de niveau de carburant <Voir FU(SOHC)-62, Sonde de niveau de carburant.> et la sonde auxiliaire de niveau de carburant <Voir FU(SOHC)-62, Sonde auxiliaire de niveau de carburant.> |
AN: DTC P0462 - ENTREE FAIBLE DU CIRCUIT DE SONDE DE NIVEAU DE CARBURANT
- CONDITION DE DETECTION DU DTC:
- Deux cycles de conduite consécutifs avec défaut.
ATTENTION: Après avoir réparé ou remplacé les pièces défectueuses, effectuez le MODE D'EFFACEMENT MEMOIRE<Voir EN(SOHC)-49, FONCTIONNEMENT, Mode d'effacement mémoire.> et Mode d'inspection <Voir EN(SOHC)- 46, FONCTIONNEMENT, Mode d'inspection.> .
- SCHEMA ELECTRIQUE:


| Nº | Etape | Vérifier | Oui | Non |
| 1 | VERIFIEZ LES FONCTIONNEMENTS DE COMPTEUR DE VITESSE ET DE COMPTETOURS DU COMBINE D'INSTRUMENTS. | Est-ce que le compteur de vitesse et le compte-tours fonctionnent normalement? | Passez à l'étape 2. | Réparez ou remplacez le combiné d'instruments.
<Voir IDI-3 Combiné d'instruments.> |
| 2 | VERIFIEZ LE SIGNAL D'ENTREE A L'ECM.
1) Mettez le contact d'allumage sur "ON". (Moteur arrêté) 2) Mesurez la tension entre le connecteur de l'ECM et la masse de châssis. Connecteur et borne (B136) Nº 27 (+) - Masse de châssis (−): |
Est-ce que la tension est moins de 0,12 V? | Passez à l'étape 6. | Passez à l'étape 3. |
| 3 | VERIFIEZ LE SIGNAL D'ENTREE A L'ECM.
(EN UTILISANT LE MONITEUR DE SELECTION SUBARU) Lisez la donnée de signal de la sonde de niveau de carburant en utilisant le moniteur de sélection Subaru. NOTE:
|
Est-ce que la tension change de moins de 0,12 V lorsque l'on secoue le faisceau et le connecteur de l'ECM, tout en contrôlant la valeur au moniteur de sélection Subaru? | Réparez le mauvais contact dans le connecteur de l'ECM. | Même si le témoin d'anomalie s'allume, le circuit revient à la condition normale à ce moment. Ceci peut être dû à un mauvais contact temporaire dans le connecteur.
NOTE: Dans ce cas, réparez les suivants:
|
| 4 | VERIFIEZ LA TENSION D'ENTREE DE L'ECM.
1) Mettez le contact d'allumage sur "OFF". 2) Séparez le connecteur de fil de réservoir à carburant (R57) et le connecteur de faisceau de câblage arrière (R15). 3) Mettez le contact d'allumage sur "ON". 4) Mesurez la tension du faisceau entre le connecteur de l'ECM et la masse de châssis. Connecteur et borne (B136) Nº 27 (+) - Masse de châssis (−): |
Est-ce que la tension est plus de 0,12 V? | Passez à l'étape 4. | Passez à l'étape 7. |
| 5 | VERIFIEZ LE FAISCEAU ENTRE L'ECM ET LE COMBINE D'INSTRUMENTS.
1) Mettez le contact d'allumage sur "OFF". 2) Déconnectez le connecteur du connecteur (i10) et du connecteur de l'ECM. 3) Mesurez la résistance entre l'ECM et la masse de châssis. Connecteur et borne (B136) Nº 27 - Masse de châssis: |
Est-ce que la résistance est plus de 1 MΩ? | Passez à l'étape 6. | Réparez le faisceau court-circuité à la masse entre l'ECM et le connecteur du combiné d'instruments. |
| 6 | VERIFIEZ LE FAISCEAU ENTRE L'ECM ET LE COMBINE D'INSTRUMENTS.
Mesurez la résistance entre l'ECM et le connecteur du combiné d'instruments. Connecteur et borne (B136) Nº 27 - (i10) Nº 3: |
Est-ce que la résistance est moins de 10 Ω? | Réparez ou remplacez le combiné d'instruments.
<Voir IDI-3 Combiné d'instruments.> |
Réparez le circuit ouvert entre l'ECM et le connecteur du combiné d'instruments.
NOTE: Dans ce cas, réparez les suivants: Mauvais contact dans le connecteur d'accouplement (R15) |
| 7 | VERIFIEZ LE FIL DE RESERVOIR A CARBURANT.
1) Déconnectez le connecteur de la pompe à carburant. 2) Mesurez la résistance entre la pompe à carburant et la masse de châssis. Connecteur et borne (R58) Nº 3 - Masse de châssis: |
Est-ce que la résistance est plus de 1 MΩ? | Passez à l'étape 8. | Réparez le courtcircuit à la masse du fil de réservoir à carburant. |
| 8 | VERIFIEZ LA SONDE DE NIVEAU DE CARBURANT.
1) Déposez la pompe à carburant. <Voir FU(SOHC)-60, DEPOSE, Pompe à carburant.> 2) Mesurez la résistance entre la sonde de niveau de carburant et les bornes, avec le flotteur réglé à la position maximum. Bornes Nº 5 - Nº 3: |
Est-ce que la résistance est comprise entre 0,5 et 2,5 Ω? | Réparez le mauvais contact dans le faisceau entre l'ECM et le connecteur du combiné d'instruments. | Remplacez la sonde de niveau de carburant. |
AG: DTC P0336 - Probleme de gamme/rendement du circuit de detecteur d'angle de vilebrequin
CONDITION DE DETECTION DU DTC:
Immédiatement après la reconnaissance du défaut
SYMPTOME:
Le moteur cale.
Echec de d&e ...
AO: DTC P0463 - Entree elevee du circuit de sonde de niveau de carburant
CONDITION DE DETECTION DU DTC:
Deux cycles de conduite consécutifs avec défaut.
ATTENTION: Après avoir réparé ou remplacé ...
D'autres materiaux:
Vanne à solénoïde de commande d'air de ralenti
A: DEPOSE
1) Débranchez le câble de mise à la masse de la
batterie.
2) Déconnectez le connecteur de la vanne à solénoïde
de commande d'air de ralenti.
3) Déposez la vanne à solénoïde de commande d'air
de ralenti du corps de papillon.
B: REPOSE
Pour la repose, procédez dans l'ordre inverse de la
d& ...