Revue Technique Subaru Impreza: Système de ventilateur principal de radiateur
A: SCHEMA
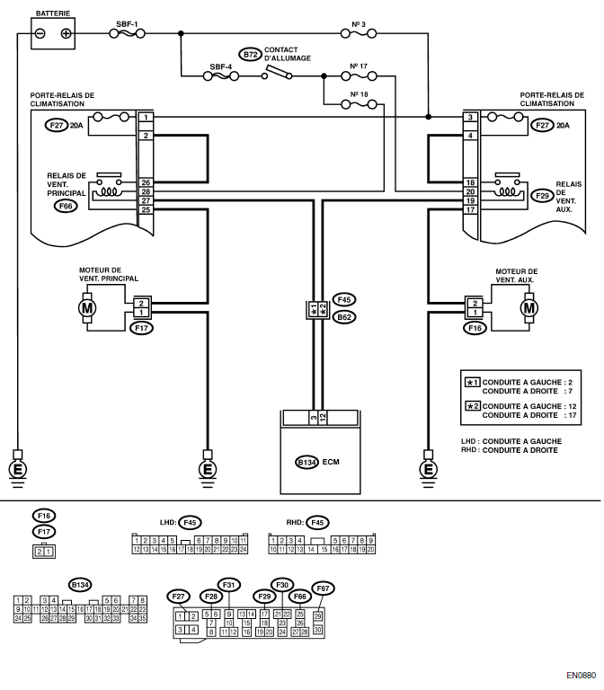
1. MODELE SANS TURBO

2. MODELE AVEC TURBO

B: INSPECTION
1. MODELE SANS TURBO
CONDITION DE DETECTION:
Condition:
- La température d'eau est supérieure à 95ºC.
- La vitesse du véhicule est inférieure à 19 km/h.
SYMPTOME:
- Le ventilateur principal de radiateur ne tourne pas sous les conditions ci-dessus.
| Nº | Etape | Vérifier | Oui | Non |
| 1 | VERIFIEZ L'ALIMENTATION ELECTRIQUE AU
MOTEUR DE VENTILATEUR PRINCIPAL. ATTENTION: Veillez à ne pas surchauffer le moteur pendant la réparation. 1) Mettez le contact d'allumage sur "OFF". 2) Déconnectez le connecteur du moteur de ventilateur principal. 3) Mettez le moteur en marche, et réchauffez-le jusqu'à ce que la température d'eau dépasse 95ºC. 4) Arrêtez le moteur et mettez le contact d'allumage sur "ON". 5) Mesurez la tension entre le connecteur du moteur de ventilateur principal et la masse de châssis. Connecteur et borne (F17) Nº 2 (+) - Masse de châssis (−): |
Est-ce que la tension est plus de 10 V? | Passez à l'étape 2. | Passez à l'étape 5. |
| 2 | VERIFIEZ LE CIRCUIT DE MISE A LA MASSE
DU MOTEUR DE VENTILATEUR PRINCIPAL. 1) Mettez le contact d'allumage sur "OFF". 2) Mesurez la résistance entre le connecteur du moteur de ventilateur principal et la masse de châssis. Connecteur et borne (F17) Nº 1 - Masse de châssis: |
Est-ce que la résistance est moins de 5 Ω? | Passez à l'étape 3. | Réparez le circuit ouvert dans le faisceau entre le connecteur du moteur de ventilateur principal et la masse de châssis. |
| 3 | VERIFIEZ S'IL Y A MAUVAIS CONTACT. Vérifiez s'il y a mauvais contact dans le connecteur du moteur de ventilateur principal. |
Est-ce qu'il y a mauvais contact dans le connecteur du moteur de ventilateur principal? | Réparez le mauvais contact dans le connecteur du moteur de ventilateur principal. | Passez à l'étape 4. |
| 4 | VERIFIEZ LE MOTEUR DE VENTILATEUR
PRINCIPAL. Connectez la borne positive (+) de la batterie à la borne nº 2, et la borne négative (−) à la borne nº 1 du connecteur du moteur de ventilateur principal. |
Est-ce que le ventilateur principal tourne? | Réparez le mauvais contact dans le connecteur du moteur de ventilateur principal. | Remplacez le moteur de ventilateur principal par un neuf. |
| 5 | VERIFIEZ LA SOURCE D'ALIMENTATION
ELECTRIQUE AU RELAIS DE VENTILATEUR
PRINCIPAL. 1) Mettez le contact d'allumage sur "OFF". 2) Déposez le relais de ventilateur principal du porte-relais de climatiseur. 3) Mesurez la tension entre la borne du relais de ventilateur principal et la masse de châssis. Connecteur et borne (F66) Nº 26 (+) - Masse de châssis (−): |
Est-ce que la tension est plus de 10 V? | Passez à l'étape 6. | Passez à l'étape 7. |
| 6 | VERIFIEZ LA SOURCE D'ALIMENTATION
ELECTRIQUE AU RELAIS DE VENTILATEUR
PRINCIPAL. 1) Mettez le contact d'allumage sur "ON". 2) Mesurez la tension entre la borne du relais de ventilateur principal et la masse de châssis. Connecteur et borne (F66) Nº 28 (+) - Masse de châssis (−): |
Est-ce que la tension est plus de 10 V? | Passez à l'étape 10. | Passez à l'étape 9. |
| 7 | VERIFIEZ LE FUSIBLE DE 20 A. 1) Déposez le fusible de 20 A du porte-relais de climatiseur. 2) Vérifiez l'état du fusible. |
Est-ce que le fusible a sauté? | Remplacez le fusible. | Passez à l'étape 8. |
| 8 | VERIFIEZ L'ALIMENTATION ELECTRIQUE A
LA BORNE DE FUSIBLE DE 20 A DU PORTERELAIS
DE CLIMATISEUR. Mesurez la tension du faisceau entre la borne de fusible de 20 A du porte-relais de climatiseur et la masse de châssis. Connecteur et borne (F27) Nº 1 (+) - Masse de châssis (−): |
Est-ce que la tension est plus de 10 V? | Réparez le circuit ouvert dans le faisceau entre le fusible de 20 A et la borne du relais de ventilateur principal. | Réparez le circuit ouvert dans le faisceau entre le connecteur de la boîte principale à fusibles et la borne de fusible de 20 A. |
| 9 | VERIFIEZ LE FUSIBLE. 1) Mettez le contact d'allumage sur "OFF". 2) Déposez le fusible nº 18 de la boîte de jonction. 3) Vérifiez l'état du fusible. |
Est-ce que le fusible a sauté? | Remplacez le fusible. | Réparez le circuit ouvert dans le faisceau entre le relais du ventilateur principal et le contact d'allumage. |
| 10 | VERIFIEZ LE RELAIS DE VENTILATEUR
PRINCIPAL. 1) Mettez le contact d'allumage sur "OFF". 2) Déposez le relais de ventilateur principal. 3) Mesurez la résistance du relais de ventilateur principal. Borne Nº 26 - Nº 25: |
Est-ce que la résistance est plus de 1 MΩ? | Passez à l'étape 11. | Remplacez le relais de ventilateur principal. |
| 11 | VERIFIEZ LE RELAIS DE VENTILATEUR
PRINCIPAL. 1) Connectez la batterie aux bornes nº 27 et nº 28 du relais de ventilateur principal. 2) Mesurez la résistance du relais de ventilateur principal. Borne Nº 26 - Nº 25: |
Est-ce que la résistance est moins de 1 Ω? | Passez à l'étape 12. | Remplacez le relais de ventilateur principal. |
| 12 | VERIFIEZ LE FAISCEAU ENTRE LA BORNE
DU RELAIS DE VENTILATEUR PRINCIPAL ET
LE CONNECTEUR DU MOTEUR DE VENTILATEUR
PRINCIPAL. Mesurez la résistance du faisceau entre le connecteur du moteur de ventilateur principal et la borne du relais de ventilateur principal. Connecteur et borne (F17) Nº 2 - (F66) Nº 25: |
Est-ce que la résistance est moins de 1 Ω? | Passez à l'étape 13. | Réparez le circuit ouvert dans le faisceau entre le connecteur du moteur de ventilateur principal et la borne du relais de ventilateur principal. |
| 13 | VERIFIEZ LE FAISCEAU ENTRE LE RELAIS
DU VENTILATEUR PRINCIPAL ET L'ECM. 1) Mettez le contact d'allumage sur "OFF". 2) Déconnectez le connecteur de l'ECM. 3) Mesurez la résistance du faisceau entre le connecteur du relais de ventilateur principal et le connecteur de l'ECM. Connecteur et borne (F66) Nº 27 - (B134) Nº 3: |
Est-ce que la résistance est moins de 1 Ω? | Passez à l'étape 14. | Réparez le circuit ouvert dans le faisceau entre le relais du ventilateur principal et l'ECM. |
| 14 | VERIFIEZ S'IL Y A MAUVAIS CONTACT. Vérifiez s'il y a mauvais contact dans le connecteur entre le ventilateur principal et l'ECM. |
Est-ce qu'il y a mauvais contact dans le connecteur entre le moteur de ventilateur principal et l'ECM? | Réparez le mauvais contact dans le connecteur. | Prenez le contact avec votre concessionnaire Subaru |
NOTE: Une inspection par votre concessionnaire Subaru est nécessaire car la cause probable est la détérioration de plusieurs pièces.
2. MODELE AVEC TURBO
CONDITION DE DETECTION:
Condition:
- La température d'eau est supérieure à 95ºC.
- Le compresseur de climatiseur est tourné.
- La vitesse du véhicule est inférieure à 19 km/h.
SYMPTOME:
- Le ventilateur principal de radiateur ne tourne pas sous les conditions ci-dessus.
- Le ventilateur principal de radiateur ne tourne pas
lorsque les deux conditions suivantes sont remplis:
- La température d'eau est supérieure à 90ºC.
- A/C est en circuit
| Nº | Etape | Vérifier | Oui | Non |
| 1 | VERIFIEZ LE FONCTIONNEMENT DU RADIATEUR.
1) Faites marcher le moteur au ralenti. (Véhicule à l'arrêt) 2) Tournez le contacteur de climatiseur sur OFF. 3) Augmentez la température de liquide refroidissement en dessus de 96ºC. |
Est-ce que le ventilateur principal de radiateur se fonctionne? | Passez à l'étape 2. | Passez à l'étape 3. |
| 2 | VERIFIEZ LE FONCTIONNEMENT DU RADIATEUR.
1) Tournez le contacteur de climatiseur sur ON et en position 1. |
Est-ce que le ventilateur principal de radiateur se tourne plus vite lorsque le compresseur de climatiseur est fonctionné? | Le système de ventilateur principal de radiateur est en bon état. | Passez à l'étape 17. |
| 3 | VERIFIEZ L'ALIMENTATION ELECTRIQUE AU
MOTEUR DE VENTILATEUR PRINCIPAL.
ATTENTION: Veillez à ne pas surchauffer le moteur pendant la réparation. 1) Mettez le contact d'allumage sur "OFF". 2) Déconnectez le connecteur du moteur de ventilateur principal. 3) Mettez le moteur en marche, et réchauffez-le jusqu'à ce que la température d'eau dépasse 96ºC. 4) Arrêtez le moteur et mettez le contact d'allumage sur "ON". 5) Mesurez la tension entre le connecteur du moteur de ventilateur principal et la masse de châssis. Connecteur et borne (F17) Nº 3 (+) - Masse de châssis (−): |
Est-ce que la tension est plus de 10 V? | Passez à l'étape 4. | Passez à l'étape 7. |
| 4 | VERIFIEZ LE CIRCUIT DE MISE A LA MASSE
DU MOTEUR DE VENTILATEUR PRINCIPAL.
1) Mettez le contact d'allumage sur "OFF". 2) Mesurez la résistance entre le connecteur du moteur de ventilateur principal et la masse de châssis. Connecteur et borne (F17) Nº 1 - Masse de châssis: |
Est-ce que la résistance est moins de 5 Ω? | Passez à l'étape 5. | Réparez le circuit ouvert dans le faisceau entre le connecteur du moteur de ventilateur principal et la masse de châssis. |
| 5 | VERIFIEZ S'IL Y A MAUVAIS CONTACT.
Vérifiez s'il y a mauvais contact dans le connecteur du moteur de ventilateur principal. |
Est-ce qu'il y a mauvais contact dans le connecteur du moteur de ventilateur principal? | Réparez le mauvais contact dans le connecteur du moteur de ventilateur principal. | Passez à l'étape 6. |
| 6 | VERIFIEZ LE MOTEUR DE VENTILATEUR
PRINCIPAL.
Connectez la borne positive (+) de la batterie à la borne nº 3, et la borne négative (−) à la borne nº 1 du connecteur du moteur de ventilateur principal. |
Est-ce que le ventilateur principal tourne? | Réparez le mauvais contact dans le connecteur du moteur de ventilateur principal. | Remplacez le moteur de ventilateur principal par un neuf. |
| 7 | VERIFIEZ L'ALIMENTATION ELECTRIQUE AU
RELAIS 1 DE VENTILATEUR PRINCIPAL.
1) Mettez le contact d'allumage sur "OFF". 2) Déposez le relais 1 de ventilateur principal du porte-relais de climatiseur. 3) Mesurez la tension entre la borne du relais 1 de ventilateur principal et la masse de châssis. Connecteur et borne (F66) Nº 26 (+) - Masse de châssis (−): |
Est-ce que la tension est plus de 10 V? | Passez à l'étape 8. | Passez à l'étape 9. |
| 8 | VERIFIEZ L'ALIMENTATION ELECTRIQUE AU
RELAIS 1 DE VENTILATEUR PRINCIPAL.
1) Mettez le contact d'allumage sur "ON". 2) Mesurez la tension entre la borne du relais 1 de ventilateur principal et la masse de châssis. Connecteur et borne (F66) Nº 27 (+) - Masse de châssis (−): |
Est-ce que la tension est plus de 10 V? | Passez à l'étape 12. | Passez à l'étape 11. |
| 9 | VERIFIEZ LE FUSIBLE DE 30 A.
1) Déposez le fusible de 30 A du porte-relais de climatiseur. 2) Vérifiez l'état du fusible. |
Est-ce que le fusible a sauté? | Remplacez le fusible. | Passez à l'étape 10. |
| 10 | VERIFIEZ L'ALIMENTATION ELECTRIQUE A
LA BORNE DE FUSIBLE DE 30 A DU PORTERELAIS
DE CLIMATISEUR.
Mesurez la tension du faisceau entre la borne de fusible de 30 A du porte-relais de climatiseur et la masse de châssis. Connecteur et borne (F27) Nº 1 (+) - Masse de châssis (−): |
Est-ce que la tension est plus de 10 V? | Réparez le circuit ouvert dans le faisceau entre le fusible de 30 A et la borne du relais de ventilateur principal. | Réparez le circuit ouvert dans le faisceau entre le connecteur de la boîte principale à fusibles et la borne de fusible de 30 A. |
| 11 | VERIFIEZ LE FUSIBLE.
1) Mettez le contact d'allumage sur "OFF". 2) Déposez le fusible nº 18 de la boîte de jonction. 3) Vérifiez l'état du fusible. |
Est-ce que le fusible a sauté? | Remplacez le fusible. | Réparez le circuit ouvert dans le faisceau entre le relais du ventilateur principal et le contact d'allumage. |
| 12 | VERIFIEZ LE RELAIS DE VENTILATEUR
PRINCIPAL.
1) Mettez le contact d'allumage sur "OFF". 2) Déposez le relais 1 de ventilateur principal. 3) Mesurez la résistance du relais 1 de ventilateur principal. Borne Nº 26 - Nº 25: |
Est-ce que la résistance est plus de 1 MΩ? | Passez à l'étape 13. | Remplacez le relais de ventilateur principal. |
| 13 | VERIFIEZ LE RELAIS DE VENTILATEUR
PRINCIPAL.
1) Connectez la batterie aux bornes nº 27 et nº 28 du relais 1 de ventilateur principal. 2) Mesurez la résistance du relais 1 de ventilateur principal. Borne Nº 26 - Nº 25: |
Est-ce que la résistance est moins de 1 Ω? | Passez à l'étape 14. | Remplacez le relais de ventilateur principal. |
| 14 | VERIFIEZ LE FAISCEAU ENTRE LA BORNE
DU RELAIS DE VENTILATEUR PRINCIPAL ET
LE CONNECTEUR DU MOTEUR DE VENTILATEUR
PRINCIPAL.
Mesurez la résistance du faisceau entre le connecteur du moteur de ventilateur principal et la borne du relais de ventilateur principal. Connecteur et borne (F17) Nº 3 - (F66) Nº 25: |
Est-ce que la résistance est moins de 1 Ω? | Passez à l'étape 15. | Réparez le circuit ouvert dans le faisceau entre le connecteur du moteur de ventilateur principal et la borne du relais de ventilateur principal. |
| 15 | VERIFIEZ LE FAISCEAU ENTRE LE RELAIS
DU VENTILATEUR PRINCIPAL ET L'ECM.
1) Mettez le contact d'allumage sur "OFF". 2) Déconnectez le connecteur de l'ECM. 3) Mesurez la résistance du faisceau entre le connecteur du relais de ventilateur principal et le connecteur de l'ECM. Connecteur et borne (F66) Nº 28 - (B137) Nº 17: |
Est-ce que la résistance est moins de 1 Ω? | Passez à l'étape 16. | Réparez le circuit ouvert dans le faisceau entre le relais du ventilateur principal et l'ECM. |
| 16 | VERIFIEZ S'IL Y A MAUVAIS CONTACT.
Vérifiez s'il y a mauvais contact dans le connecteur entre le ventilateur principal et l'ECM. |
Est-ce qu'il y a mauvais contact dans le connecteur entre le moteur de ventilateur principal et l'ECM? | Réparez le mauvais contact dans le connecteur. | Prenez le contact avec votre concessionnaire Subaru. |
| 17 | VERIFIEZ L'ALIMENTATION ELECTRIQUE AU
MOTEUR DE VENTILATEUR PRINCIPAL.
ATTENTION: Veillez à ne pas surchauffer le moteur pendant la réparation. 1) Mettez le contact d'allumage sur "OFF". 2) Déconnectez le connecteur du moteur de ventilateur principal. 3) Mettez le moteur en marche, et réchauffez-le jusqu'à ce que la température d'eau dépasse 96ºC. 4) Tournez le contacteur de climatiseur sur ON. 5) Mesurez la tension pendant que le compresseur de climatiseur se tourne. 6) Mesurez la tension entre le connecteur du moteur de ventilateur principal et la masse de châssis. Connecteur et borne (F17) Nº 2 (+) - Masse de châssis (−): |
Est-ce que la tension est plus de 10 V? | Passez à l'étape 18. | Passez à l'étape 20. |
| 18 | VERIFIEZ S'IL Y A MAUVAIS CONTACT.
Vérifiez s'il y a mauvais contact dans le connecteur du moteur de ventilateur principal. |
Est-ce qu'il y a mauvais contact dans le connecteur du moteur de ventilateur principal? | Réparez le mauvais contact dans le connecteur du moteur de ventilateur principal. | Passez à l'étape 19. |
| 19 | VERIFIEZ LE MOTEUR DE VENTILATEUR
PRINCIPAL.
Connectez la borne positive (+) de la batterie à la borne nº 2, et la borne négative (−) à la borne nº 1 du connecteur du moteur de ventilateur principal. |
Est-ce que le ventilateur principal tourne? | Réparez le mauvais contact dans le connecteur du moteur de ventilateur principal. | Remplacez le moteur de ventilateur principal par un neuf. |
| 20 | VERIFIEZ L'ALIMENTATION ELECTRIQUE AU
RELAIS 2 DE VENTILATEUR PRINCIPAL.
1) Mettez le contact d'allumage sur "OFF". 2) Déposez le relais 2 de ventilateur principal du porte-relais de climatiseur. 3) Mesurez la tension entre la borne du relais 2 de ventilateur principal et la masse de châssis. Connecteur et borne (F30) Nº 23 (+) - Masse de châssis (−): |
Est-ce que la tension est plus de 10 V? | Passez à l'étape 21. | Passez à l'étape 22. |
| 21 | VERIFIEZ L'ALIMENTATION ELECTRIQUE AU
RELAIS 2 DE VENTILATEUR PRINCIPAL.
1) Mettez le contact d'allumage sur "ON". 2) Mesurez la tension entre la borne du relais 2 de ventilateur principal et la masse de châssis. Connecteur et borne (F30) Nº 22 (+) - Masse de châssis (−): |
Est-ce que la tension est plus de 10 V? | Passez à l'étape 25. | Passez à l'étape 24. |
| 22 | VERIFIEZ LE FUSIBLE DE 30 A.
1) Déposez le fusible de 30 A du porte-relais de climatiseur. 2) Vérifiez l'état du fusible. |
Est-ce que le fusible a sauté? | Remplacez le fusible. | Passez à l'étape 23 |
| 23 | VERIFIEZ L'ALIMENTATION ELECTRIQUE A
LA BORNE DE FUSIBLE DE 30 A DU PORTERELAIS
DE CLIMATISEUR.
Mesurez la tension du faisceau entre la borne de fusible de 30 A du porte-relais de climatiseur et la masse de châssis. Connecteur et borne (F27) Nº 1 (+) - Masse de châssis (−): |
Est-ce que la tension est plus de 10 V? | Réparez le circuit ouvert dans le faisceau entre le fusible de 30 A et la borne du relais de ventilateur principal. | Réparez le circuit ouvert dans le faisceau entre le connecteur de la boîte principale à fusibles et la borne de fusible de 30 A. |
| 24 | VERIFIEZ LE FUSIBLE.
1) Mettez le contact d'allumage sur "OFF". 2) Déposez le fusible nº 18 de la boîte de jonction. 3) Vérifiez l'état du fusible. |
Est-ce que le fusible a sauté? | Remplacez le fusible. | Réparez le circuit ouvert dans le faisceau entre le relais du ventilateur principal et le contact d'allumage. |
| 25 | VERIFIEZ LE RELAIS DE VENTILATEUR
PRINCIPAL.
1) Mettez le contact d'allumage sur "OFF". 2) Déposez le relais 2 de ventilateur principal. 3) Mesurez la résistance du relais 2 de ventilateur principal. Borne Nº 23 - Nº 24: |
Est-ce que la résistance est plus de 1 MΩ? | Passez à l'étape 26. | Remplacez le relais de ventilateur principal |
| 26 | VERIFIEZ LE RELAIS DE VENTILATEUR
PRINCIPAL.
1) Connectez la batterie aux bornes nº 21 et nº 22 du relais 1 de ventilateur principal. 2) Mesurez la résistance du relais 2 de ventilateur principal. Borne Nº 23 - Nº 24: |
Est-ce que la résistance est moins de 1 Ω? | Passez à l'étape 27. | Remplacez le relais de ventilateur principal. |
| 27 | VERIFIEZ LE FAISCEAU ENTRE LA BORNE
DU RELAIS DE VENTILATEUR PRINCIPAL ET
LE CONNECTEUR DU MOTEUR DE VENTILATEUR
PRINCIPAL.
Mesurez la résistance du faisceau entre le connecteur du moteur de ventilateur principal et la borne du relais de ventilateur principal. Connecteur et borne (F17) Nº 2 - (F66) Nº 24: |
Est-ce que la résistance est moins de 1 Ω? | Passez à l'étape 28. | Réparez le circuit ouvert dans le faisceau entre le connecteur du moteur de ventilateur principal et la borne du relais de ventilateur principal. |
| 28 | VERIFIEZ LE FAISCEAU ENTRE LE RELAIS
DU VENTILATEUR PRINCIPAL ET L'ECM.
1) Mettez le contact d'allumage sur "OFF". 2) Déconnectez le connecteur de l'ECM. 3) Mesurez la résistance du faisceau entre le connecteur du relais de ventilateur principal et le connecteur de l'ECM. Connecteur et borne (F30) Nº 21 - (B134) Nº 28: |
Est-ce que la résistance est moins de 1 Ω? | Passez à l'étape 29. | Réparez le circuit ouvert dans le faisceau entre le relais du ventilateur principal et l'ECM. |
| 29 | VERIFIEZ S'IL Y A MAUVAIS CONTACT.
Vérifiez s'il y a mauvais contact dans le connecteur entre le ventilateur principal et l'ECM. |
Est-ce qu'il y a mauvais contact dans le connecteur entre le moteur de ventilateur principal et l'ECM? | Réparez le mauvais contact dans le connecteur. | Prenez le contact avec votre concessionnaire Subaru. |
NOTE: Une inspection par votre concessionnaire Subaru est nécessaire car la cause probable est la détérioration de plusieurs pièces.
Description générale
A: CARACTERISTIQUES
B: COMPOSANT
1. POMPE A EAU
MODELE SANS TURBO
Pompe à eau
Joint plat
Flexible de dérivation de chauffage
Thermostat
Joint plat
Couvercle de ...
Système de ventilateur auxiliaire de radiateur
A: SCHEMA
1. MODELE SANS TURBO
2. MODELE AVEC TURBO
B: INSPECTION
1. MODELE SANS TURBO
NOTE:
Système pour les véhicules avec climatiseur uniquement.
CONDITION DE DETE ...
D'autres materiaux:
Contrôle du niveau d’huile
1. Stationnez votre véhicule sur une surface plane et tournez le
contacteur d’allumage en position "LOCK"/"OFF". Ne contrôlez pas le niveau
d’huile juste après avoir tourné le contacteur d’allumage en position "LOCK"/"OFF", attendez quelques minutes pour laisser à l’huile le temps de
redescendre au carter inférieur.
ATTENTION Si la jauge de niveau ne peut pas
être ...