Revue Technique Subaru Impreza: Systèmes de phare et de feu arrière
A: SCHEMA
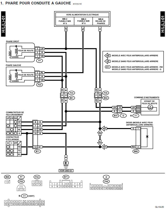
1. PHARE POUR CONDUITE A GAUCHE

2. PHARE POUR CONDUITE A DROITE

3. FEU DE GABARIT ET ECLAIRAGE POUR CONDUITE A GAUCHE



4. FEU DE GABARIT ET ECLAIRAGE DE TABLEAU DE BORD MODELE CAD SANS COMMANDE D'ECLAIRAGE



5. FEU DE GABARIT ET ECLAIRAGE DE TABLEAU DE BORD MODELE CAD AVEC COMMANDE D'ECLAIRAGE



B: INSPECTION
1. RELAIS DE PHARE
Vérifiez la continuité entre les bornes lorsque la borne nº 4 est branchée sur la batterie et la borne nº 3 est mise à la masse.

2. RELAIS DE FEU ARRIERE ET D'ECLAIRAGE
Vérifiez la continuité entre les bornes (indiquées dans le tableau ci-dessous) lorsque la borne nº 4 est branchée sur la batterie et la borne nº 3 est mise à la masse.

Description générale
A: CARACTERISTIQUES
B: PRECAUTIONS
Prenez bien soin de débrancher le câble de mise
à la masse de la batterie avant d'effectuer toute opération
de dépose ...
Système de feu antibrouillard avant
A: SCHEMA
1. FEU ANTIBROUILLARD AVANT POUR CONDUITE A GAUCHE
2. FEU ANTIBROUILLARD AVANT POUR CONDUITE A DROITE POUR L'EUROPE
3. FEU ANTIBROUILLARD AVANT MODELE CAD SAUF POUR L'EUROPE
...
D'autres materiaux:
Limite de charge du véhicule – comment la déterminer
La charge admissible de votre véhicule est déterminée par le poids, et
non pas par l’espace disponible. La limite de charge de votre véhicule est
indiquée sur la plaque de véhicule fixée au montant de portière du côté du
conducteur.
Sur cette plaque, vous trouverez l’indication: "Le total du
poids des occupants et du poids du chargement ne doit jamais dépasser
XXX kg ou X ...