Revue Technique Subaru Impreza: I: Verifiez le contacteur "HOLD".
DIAGNOSTIC:
- La DEL ne s'allume pas lorsque le contacteur "HOLD" est mis en circuit.
- Le circuit de contacteur "HOLD" est en circuit ouvert ou en court-circuit.
SYMPTOME:
- Le second rapport n'est pas maintenu.
- Le véhicule ne démarre pas en gamme 2nde sauf la position 1.
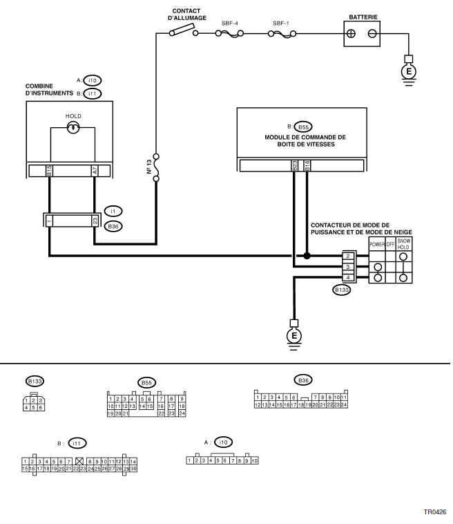
SCHEMA ELECTRIQUE: MODELE A CONDUITE A GAUCHE

Conduite à droite

| Nº | Etape | Vérifier | Oui | Non |
| 1 | VERIFIEZ LE FONCTIONNEMENT DU CONTACTEUR "HOLD". | Est-ce que la DEL s'allume lorsque le contacteur "HOLD" est mis hors circuit? | Passez à l'étape 5. | Passez à l'étape 2. |
| 2 | VERIFIEZ LE FONCTIONNEMENT DU CONTACTEUR "HOLD". | Est-ce que la DEL s'allume lorsque le contacteur "HOLD" est mis en circuit? | Passez à l'étape VERIFIEZ LE TEMOIN FWD. <Voir AT-120, VERIFIEZ LE CONTACTEUR FWD, Procédure de dépistage des pannes pour code d'absence de panne.> | Passez à l'étape 3. |
| 3 | VERIFIEZ LE TEMOIN "HOLD".
1) Mettez le contact d'allumage sur "OFF". 2) Déposez le combiné d'instruments. 3) Déposez l'ampoule du témoin "HOLD" du combiné d'instruments. |
Est-ce que l'ampoule du témoin "HOLD" est en état? | Passez à l'étape 4. | Remplacez l'ampoule de témoin "HOLD". <Voir IDI- 17, Combiné d'instruments.> |
| 4 | VERIFIEZ LA LIGNE DE MISE A LA MASSE DU CONTACTEUR "HOLD".
1) Mettez le contact d'allumage sur "OFF". 2) Déconnectez le connecteur du contacteur "HOLD". 3) Mesurez la résistance du connecteur de faisceau entre le contacteur "HOLD" et la masse de châssis. Connecteur et borne (B133) Nº 4 - Masse de châssis: |
Est-ce que la résistance est moins de 1 Ω? | Passez à l'étape 5. | Réparez le circuit ouvert dans le faisceau entre le contacteur "HOLD" et la masse de châssis. |
| 5 | VERIFIEZ LE CONTACTEUR "HOLD".
1) Le contacteur "HOLD" est mis en circuit. 2) Mesurez la résistance entre les bornes du contacteur "HOLD". Bornes Nº 4 - Nº 2: |
Est-ce que la résistance est moins de 1 Ω? | Passez à l'étape 6. | Réparez le contacteur "HOLD". |
| 6 | VERIFIEZ LE CONTACTEUR "HOLD".
1) Le contacteur "HOLD" est mis en circuit. 2) Mesurez la résistance entre les bornes du contacteur "HOLD". Bornes Nº 4 - Nº 2: |
Est-ce que la résistance est plus de 1 MΩ? | Passez à l'étape 7. | Réparez le contacteur "HOLD". |
| 7 | VERIFIEZ LE CONNECTEUR DE FAISCEAU ENTRE LE TCM ET LE CONTACTEUR "HOLD".
1) Déconnectez les connecteurs du TCM et du combiné d'instruments. 2) Mesurez la résistance du connecteur de faisceau entre le TCM et le contacteur "HOLD". Connecteur et borne (B55) Nº 16 - (B133) Nº 2: |
Est-ce que la résistance est moins de 1 Ω? | Passez à l'étape 8. | Réparez le circuit ouvert dans le faisceau entre le TCM et le connecteur du contacteur "HOLD", et le mauvais contact dans le connecteur d'accouplement. |
| 8 | VERIFIEZ LE CONNECTEUR DE FAISCEAU ENTRE LE TCM ET LE COMBINE D'INSTRUMENTS.
Mesurez la résistance du faisceau entre le connecteur du TCM et le combiné d'instruments. Connecteur et borne (B55) Nº 16 - (i11) Nº 15: |
Est-ce que la résistance est moins de 1 Ω? | Passez à l'étape 9. | Réparez le circuit ouvert dans le faisceau entre le TCM et le combiné d'instruments, puis le mauvais contact dans le connecteur d'accouplement. |
| 9 | VERIFIEZ LE CONNECTEUR DE FAISCEAU ENTRE LE TCM ET LE CONTACTEUR "HOLD".
Mesurez la résistance du connecteur de faisceau entre le TCM et la masse de châssis, et assurez-vous que le circuit n'est pas court-circuité. Connecteur et borne (B55) Nº 16 - Masse de châssis: |
Est-ce que la résistance est plus de 1 MΩ? | Passez à l'étape 10. | Réparez le courtcircuit dans le faisceau entre le TCM et le connecteur de contacteur "HOLD". |
| 10 | VERIFIEZ LE SIGNAL D'ENTREE AU TCM.
1) Connectez les connecteurs au TCM et au contacteur "HOLD". 2) Mettez le contact d'allumage sur "ON" (moteur ARRETE). 3) Mesurez la tension du signal au TCM lorsque le contacteur "HOLD" est mis hors circuit. Connecteur et borne (B55) Nº 16 (+) - Masse de châssis (-): |
Est-ce que la tension est plus de 8 V? | Passez à l'étape 11. | Remplacez le TCM. <Voir AT-47, Module de commande de boîte de vitesses (TCM).> |
| 11 | VERIFIEZ LE SIGNAL D'ENTREE AU TCM.
Mesurez la tension du signal au TCM lorsque le contacteur "HOLD" est mis en circuit. Connecteur et borne (B55) Nº 16 (+) - Masse de châssis (-): |
Est-ce que la tension est moins de 1 V? | Passez à l'étape 12. | Remplacez le TCM. <Voir AT-47, Module de commande de boîte de vitesses (TCM).> |
| 12 | VERIFIEZ S'IL Y A MAUVAIS CONTACT. | Est-ce qu'il y a mauvais contact? | Réparez le mauvais contact. | Ceci peut-être dû à un mauvais contact temporaire du connecteur ou du faisceau ou du connecteur du circuit du contacteur "HOLD". |
J: VERIFIEZ LE TEMOIN FWD.
| Nº | Etape | Vérifier | Oui | Non |
| 1 | VERIFIEZ LE VEHICULE. | Est-ce qu'il s'agit de véhicule 4WD? | Passez à l'étape 2. | Passez à l'étape Dépistage des pannes concernant au symptôme. <Voir AT-121, Dépistage des pannes concernant au symptôme.> |
| 2 | VERIFIEZ LE TEMOIN FWD. | Est-ce que la DEL du témoin FWD s'allume? | Vérifiez le circuit du témoin FWD.
<Voir AT-91, VERIFIEZ LE CONTACTEUR FWD, Procédure de dépistage des pannes pour code d'absence de panne.> |
Passez à l'étape Dépistage des pannes concernant au symptôme. <Voir AT-121, Dépistage des pannes concernant au symptôme.> |
H: Verifiez le contacteur inhibiteur.
DIAGNOSTIC:
Le circuit du signal d'entrée du contacteur inhibiteur est ouvert ou court-circuité.
SYMPTOME:
Les caractéristiques de passage des rapports sont erroné ...
Dépistage des pannes concernant au symptôme
A: INSPECTION
Symptôme
Pièces défectueuse
Le démarreur ne tourne pas lorsque le levier de sélection est mis
sur la gamme "P" ou "N"; le d&eacut ...
D'autres materiaux:
Ouverture et fermeture du couvercle de coffre de l’extérieur
Il est aussi possible d’ouvrir le couvercle de coffre en utilisant la
fonction d’accès sans clé ou le système d’entrée sans clé par
télécommande. Pour plus de détails, reportez-vous à la section suivante.
Pour les modèles avec "accès sans clé avec système de démarrage
à boutonpoussoir", reportez-vous à "Ouverture du coffre (berline)" ou "Ouverture du couvercle de c ...