Revue Technique Subaru Impreza: O: Code de panne 37 - mauvais fonctionnement de la soupape d'entree arriere gauche
DIAGNOSTIC:
- Faisceau/connecteur défectueux
 - Vanne à solénoïde d'entrée défectueuse
 
SYMPTOME:
- L'ABS ne fonctionne pas.
 
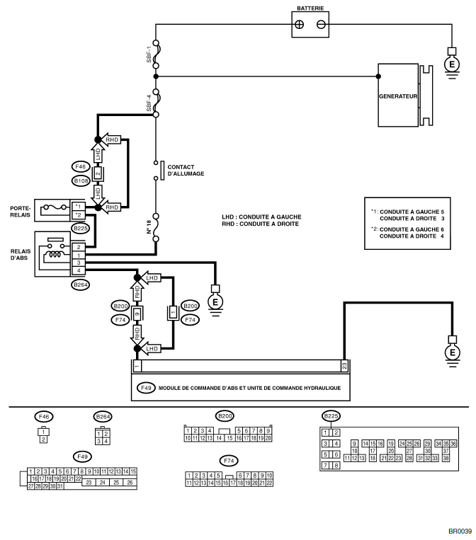
SCHEMA ELECTRIQUE:

| Nº | Etape | Vérifier | Oui | Non | 
| 1 | VERIFIEZ LA TENSION D'ENTREE DU PORTE- 		RELAIS.
             
 1) Mettez le contact d'allumage sur "OFF". 2) Déposez le fusible. 3) Mesurez la tension entre le connecteur du relais ABS et la masse de châssis. Connecteur et borne  | 
            Est-ce que la tension est plus de 10 V? | Passez à l'étape 2. | Réparez le circuit ouvert dans le faisceau entre la batterie et le connecteur de porte-relais. | 
| 2 | VERIFIEZ LE PORTE-RELAIS. | Est-ce que le fusible a sauté? | Remplacez le fusible. | Passez à l'étape 3. | 
| 3 | VERIFIEZ LA TENSION D'ENTREE DU RELAIS 		ABS.
             
 1) Reposez le fusible. 2) Déposez le relais ABS. 3) Mettez le contact d'allumage sur "ON". 4) Mesurez la tension entre le connecteur du relais ABS et la masse de châssis. Connecteur et borne (B264) Nº 2 (+) - Masse de châssis (−):  | 
            Est-ce que la tension est plus de 10 V? | Passez à l'étape 4. | Réparez le circuit ouvert dans le faisceau entre la batterie et le connecteur de porte-relais. | 
| 4 | VERIFIEZ LA TENSION D'ENTREE DU RELAIS 		ABS.
             
 Mesurez la tension entre le connecteur du relais ABS et la masse de châssis. Connecteur et borne (B264) Nº 1 (+) - Masse de châssis (−):  | 
            Est-ce que la tension est plus de 10 V? | Passez à l'étape 5. | Réparez le connecteur de faisceau entre la batterie, le contact d'allumage et le relais ABS. | 
| 5 | VERIFIEZ LE CIRCUIT DE MISE A LA MASSE 		DU RELAIS ABS.
             
 1) Mettez le contact d'allumage sur "OFF". 2) Mesurez la résistance entre le connecteur du relais ABS et la masse de châssis. Connecteur et borne (B264) Nº 3 (+) - Masse de châssis:  | 
            Est-ce que la tension est moins de 5 Ω? | Passez à l'étape 6. | Réparez le circuit ouvert entre le relais ABS et la masse de châssis. | 
| 6 | VERIFIEZ LE RELAIS ABS.
             
 1) Branchez la batterie sur les bornes nº 1 et nº 3 du relais ABS. 2) Mesurez la résistance entre les bornes du relais ABS.  | 
            Est-ce que la résistance est moins de 10 Ω? | Passez à l'étape 7. | Remplacez le relais ABS. | 
| 7 | VERIFIEZ LA TENSION D'ENTREE AU 		MCABS-UCH.
             
 1) Mettez le contact d'allumage sur "OFF". 2) Déconnectez le connecteur du MCABS-UCH. 3) Faites marcher le moteur au ralenti. 4) Mesurez la tension entre le connecteur de MCABS-UCH et la masse de châssis. Connecteur et borne (F49) Nº 1 (+) - Masse de châssis (−):  | 
            Est-ce que la tension est comprise entre 10 et 15 V? | Passez à l'étape 8. | Réparez le connecteur de faisceau entre la batterie, le contact d'allumage et le MCABS-UCH. | 
| 8 | VERIFIEZ LE CIRCUIT DE MISE A LA MASSE 		DU MCABS-UCH.
             
 1) Mettez le contact d'allumage sur "OFF". 2) Mesurez la résistance entre le connecteur de MCABS-UCH et la masse de châssis. Connecteur et borne (F49) Nº 23 - Masse de châssis:  | 
            Est-ce que la résistance est moins de 0,5 Ω? | Passez à l'étape 9. | Réparez le faisceau de mise à la masse du MCABSUCH. | 
| 9 | VERIFIEZ S'IL Y A MAUVAIS CONTACT DANS LES CONNECTEURS. | Est ce-qu'il y a mauvais contact dans les connecteurs entre le générateur, la batterie et le MCABS-UCH? | Réparez le connecteur. | Passez à l'étape 10. | 
| 10 | VERIFIEZ LE MCABS-UCH.
             
 1) Connectez tous les connecteurs. 2) Effacez la mémoire. 3) Exécutez le mode d'inspection. 4) Lisez le code de panne.  | 
            Est-ce que le même code de panne que celui produit par le diagnostic actuel est toujours produit? | Remplacez le 		MCABS-UCH.
             
 <Voir ABS-7, Module de commande ABS et unité de commande hydraulique (MCABUCH).>  | 
            Passez à l'étape 11. | 
| 11 | VERIFIEZ L'APPARITION D'AUTRES CODES. | D'autres codes de pannes sont-ils produits? | Passez au diagnostic correspondant au code de panne. | Il y a mauvais contact temporaire. | 
P: CODE DE PANNE 32 - MAUVAIS FONCTIONNEMENT DE LA SOUPAPE DE SORTIE AVANT DROITE
NOTE: Pour la procédure de dépistage des pannes, reportez-vous à CODE DE PANNE 38. <Voir ABS-124, CODE DE PANNE 38 - MAUVAIS FONCTIONNEMENT DE LA SOUPAPE DE SORTIE ARRIERE GAUCHE -, Tableau de dépistage des pannes avec le moniteur de sélection Subaru.>
Q: CODE DE PANNE 34 - MAUVAIS FONCTIONNEMENT DE LA SOUPAPE DE SORTIE AVANT GAUCHE
NOTE: Pour la procédure de dépistage des pannes, reportez-vous à CODE DE PANNE 38. <Voir ABS-124, CODE DE PANNE 38 - MAUVAIS FONCTIONNEMENT DE LA SOUPAPE DE SORTIE ARRIERE GAUCHE -, Tableau de dépistage des pannes avec le moniteur de sélection Subaru.>
R: CODE DE PANNE 36 - MAUVAIS FONCTIONNEMENT DE LA SOUPAPE DE SORTIE ARRIERE DROITE
NOTE: Pour la procédure de dépistage des pannes, reportez-vous à CODE DE PANNE 38. <Voir ABS-124, CODE DE PANNE 38 - MAUVAIS FONCTIONNEMENT DE LA SOUPAPE DE SORTIE ARRIERE GAUCHE -, Tableau de dépistage des pannes avec le moniteur de sélection Subaru.>
K: Code de panne 29 - signal anormal du detecteur abs d'un des quatre detecteur
   DIAGNOSTIC:
    Signal du détecteur ABS défectueux (bruit, signal irrégulier, etc.)
    Disque cranté défectueux
    Les roues tournent librement pendant une lo ...
   
S: Code de panne 38 - mauvais fonctionnement de la soupape de sortie arriere gauche
   DIAGNOSTIC:
    Faisceau/connecteur défectueux
    Vanne à solénoïde de sortie défectueuse
SYMPTOME:
    L'ABS ne fonctionne pas.
SCHEMA ELECTRIQUE:
 ...
   D'autres materiaux:
Commodo (Eclairage)
   A: DEPOSE 
1) Retirez le carénage inférieur du tableau de bord.
<Voir EI-25 DEPOSE, Tableau de bord.>
2) Déposez les vis qui fixent l'habillage de la colonne
supérieure et de la colonne inférieure.
3) Déconnectez le connecteur du commodo.
4) Déposez les vis qui fixent le contacteur, puis déposez
le commodo.
B: REPOSE ...