Revue Technique Subaru Impreza: AV: DTC P0512 - Entree elevee du circuit du contacteur de demarreur
- CONDITION DE DETECTION DU DTC:
- Deux cycles de conduite consécutifs avec défaut.
- SYMPTOME:
- Echec de démarrage du moteur
ATTENTION: Après avoir réparé ou remplacé les pièces défectueuses, effectuez le MODE D'EFFACEMENT MEMOIRE<Voir EN(SOHC)-49, FONCTIONNEMENT, Mode d'effacement mémoire.> et Mode d'inspection <Voir EN(SOHC)- 46, FONCTIONNEMENT, Mode d'inspection.> .
- SCHEMA ELECTRIQUE:

| Nº | Etape | Vérifier | Oui | Non |
| 1 | VERIFIEZ LE FONCTIONNEMENT DU DEMARREUR.
NOTE: Mettez le contacteur inhibiteur sur chaque position. |
Est-ce que le démarreur fonctionne lorsque le contact d'allumage est mis sur "ON"? | Réparez le courtcircuit à la batterie du circuit de démarreur.
Après la réparation, remplacez l'ECM. <Voir FU(SOHC)-49, Module de commande de moteur.> |
Vérifiez le circuit de démarreur.
<Voir EN(SOHC)- 64, CIRCUIT DU DEMARREUR, Dépistage des pannes pour le problème du démarrage du moteur.> |
AW: DTC P0562 - ENTREE FAIBLE DU CIRCUIT DE SYSTEME DE CHARGE
- CONDITION DE DETECTION DU DTC:
- La tension d'alimentation électrique de l'ECM est faible.
- SYMPTOME:
- Le voyant danger de charge s'allume.
ATTENTION: Après avoir réparé ou remplacé les pièces défectueuses, effectuez le MODE D'EFFACEMENT MEMOIRE<Voir EN(SOHC)-49, FONCTIONNEMENT, Mode d'effacement mémoire.> et Mode d'inspection <Voir EN(SOHC)- 46, FONCTIONNEMENT, Mode d'inspection.> .
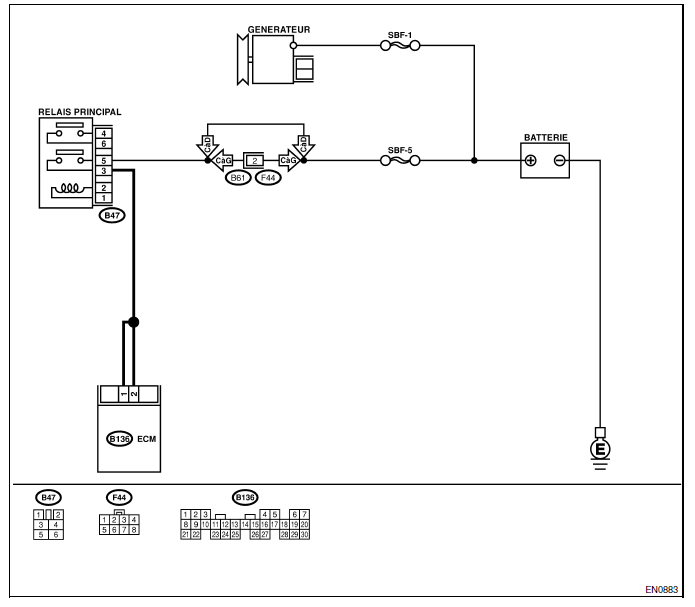
- SCHEMA ELECTRIQUE:

| Nº | Etape | Vérifier | Oui | Non |
| 1 | VERIFIEZ LE GENERATEUR.
1) Mettez le moteur en marche. 2) Moteur au ralenti après réchauffage 3) Mesurez la tension entre la borne B du générateur et la masse de châssis. Borne Borne B du générateur (+) - Masse de châssis (-): |
Est-ce que la tension est moins de 10,8 V? | Passez à l'étape 2. | Réparez le générateur.
<Voir CS-21, Dépistage des pannes général.> |
| 2 | VERIFIEZ LE GENERATEUR.
1) Faites marcher le moteur à 5.000 tr/mn. 2) Mesurez la tension entre la borne B du générateur et la masse de châssis. Borne Borne B du générateur (+) - Masse de châssis (−): |
Est-ce que la tension est moins de 10,8 V? | Passez à l'étape 3. | Réparez le générateur.
<Voir CS-21, Dépistage des pannes général.> |
| 3 | VERIFIEZ LA BORNE DE LA BATTERIE.
Mettez le contact d'allumage sur "OFF". |
Est-ce que les cosses sont serrés correctement sur les bornes de la batterie positive et négative? | Passez à l'étape 4. | Serrez la cosse de la borne. |
| 4 | VERIFIEZ LA TENSION D'ENTREE DE L'ECM.
1) Faites marcher le moteur au ralenti. 2) Mesurez la tension entre le connecteur de l'ECM et la masse de châssis. Connecteur et borne |
Est-ce que la tension est moins de 10,8 V? | Passez à l'étape 5. | Réparez le connecteur de faisceau entre la batterie, le relais principal et l'ECM. |
| 5 | VERIFIEZ S'IL Y A MAUVAIS CONTACT DANS LES CONNECTEURS. | Est-ce qu'il y a mauvais contact dans les connecteurs entre le générateur, la batterie et l'ECM? | Réparez le connecteur. | Passez à l'étape 6. |
| 6 | VERIFIEZ L'ECM.
1) Connectez tous les connecteurs. 2) Effacez la mémoire. <Voir EN(SOHC)-49, Mode d'effacement mémoire.> 3) Effectuez le mode d'inspection. <Voir EN(SOHC)-46, Mode d'inspection.> 4) Lisez le code de panne. <Voir EN(SOHC)-45, Lisez le code de panne.> |
Est-ce que le même code de panne que celui du diagnostic actuel est montré? | Remplacez le générateur | Passez à l'étape 7. |
| 7 | CONTROLEZ L'APPARITION DES AUTRES CODES DE PANNE. | Est-ce que les codes de pannes sont montrés? | Procédez le diagnostic correspondant au code de panne. | Mauvais contact temporaire. |
AX: DTC P0563 - ENTREE ELEVEE DU CIRCUIT DE SYSTEME DE CHARGE
- CONDITION DE DETECTION DU DTC:
- La tension d'alimentation électrique de l'ECM est élevée.
- SYMPTOME:
- Le voyant danger de charge s'allume.
ATTENTION: Après avoir réparé ou remplacé les pièces défectueuses, effectuez le MODE D'EFFACEMENT MEMOIRE<Voir EN(SOHC)-49, FONCTIONNEMENT, Mode d'effacement mémoire.> et Mode d'inspection <Voir EN(SOHC)- 46, FONCTIONNEMENT, Mode d'inspection.> .
- SCHEMA ELECTRIQUE:

| Nº | Etape | Vérifier | Oui | Non |
| 1 | VERIFIEZ LE GENERATEUR.
1) Mettez le moteur en marche. 2) Moteur au ralenti après réchauffage 3) Mesurez la tension entre la borne B du générateur et la masse de châssis. Borne Borne B du générateur (+) - Masse de châssis (-): |
Est-ce que la tension est plus de 16,2 V? | Passez à l'étape 2. | Réparez le générateur.
<Voir CS-21, Dépistage des pannes général.> |
| 2 | VERIFIEZ LE GENERATEUR.
1) Faites marcher le moteur à 5.000 tr/mn. 2) Mesurez la tension entre la borne B du générateur et la masse de châssis. Borne Borne B du générateur (+) - Masse de châssis (−): |
Est-ce que la tension est plus de 16,2 V? | Passez à l'étape 3. | Réparez le générateur.
<Voir CS-21, Dépistage des pannes général.> |
| 3 | VERIFIEZ LA BORNE DE LA BATTERIE.
Mettez le contact d'allumage sur "OFF". |
Est-ce que les cosses sont serrés correctement sur les bornes de la batterie positive et négative? | Passez à l'étape 4. | Serrez la cosse de la borne. |
| 4 | VERIFIEZ LA TENSION D'ENTREE DE L'ECM.
1) Faites marcher le moteur au ralenti. 2) Mesurez la tension entre le connecteur de l'ECM et la masse de châssis. Connecteur et borne |
Est-ce que la tension est plus de 16,2 V? | Passez à l'étape 5. | Réparez le connecteur de faisceau entre la batterie, le relais principal et l'ECM. |
| 5 | VERIFIEZ S'IL Y A MAUVAIS CONTACT DANS LES CONNECTEURS. | Est-ce qu'il y a mauvais contact dans les connecteurs entre le générateur, la batterie et l'ECM? | Réparez le connecteur. | Passez à l'étape 6. |
| 6 | VERIFIEZ L'ECM.
1) Connectez tous les connecteurs. 2) Effacez la mémoire. <Voir EN(SOHC)-49, Mode d'effacement mémoire.> 3) Effectuez le mode d'inspection. <Voir EN(SOHC)-46, Mode d'inspection.> 4) Lisez le code de panne. <Voir EN(SOHC)-45, Lisez le code de panne.> |
Est-ce que le même code de panne que celui du diagnostic actuel est montré? | Remplacez le générateur. | Passez à l'étape 7. |
| 7 | CONTROLEZ L'APPARITION DES AUTRES CODES DE PANNE. | Est-ce que les codes de pannes sont montrés? | Procédez le diagnostic correspondant au code de panne. | Mauvais contact temporaire. |
AS: DTC P0500 - Mauvais fonctionnement du detecteur tachymetrique
CONDITION DE DETECTION DU DTC:
Immédiatement après la reconnaissance du défaut
ATTENTION: Après avoir réparé ou remplac&ea ...
AY: DTC PO604 - Erreur du total de controle de la memoire du module de commande interne
CONDITION DE DETECTION DU DTC:
Deux cycles de conduite consécutifs avec défaut.
SYMPTOME:
Le moteur ne démarre pas.
L ...
D'autres materiaux:
Vidange de l’huile et remplacement du filtre à huile
Effectuez les vidanges d’huile et remplacements du filtre à huile en
suivant le programme d’entretien inclus dans le "Livret de Garantie et
d’Entretien".
Ces opérations doivent être effectuées plus fréquemment que
ne l’indique le programme d’entretien si le véhicule est utilisé sur des
routes poussiéreuses, pour de courts trajets ou par temps extrêmement
froid
REMARQ ...